S-образные тензодатчики К-Р-16Г НПИ от 1 до 5 т

Характеристика Описание
Производитель: Уралвес

S-образные тензодатчики К-Р-16Г НПИ от 1 до 5 т 

ТЕХНИЧЕСКИЕ ХАРАКТЕРИСТИКИ

 Рабочий коэффициент передачи (РКП)       2,0 +0- ,002мВ/В
     Класс точности (по ГОСТ 30129)      С3
     Вид преобразуемой силы      Растяжение/сжатие
     Число поверочных интервалов      3000
     Начальных коэффициент передачи (НКП)      2,5% от РКП
     Входное сопротивление      400 + 20 Ом
     Выходное сопротивление      352 + 3 Ом
     Сопротивление изоляции      ≥5000 МОм
     Диапазон рабочих температур      от -30 до +50 С
     Допустимая перегрузка (не более 1 часа)      125% от НПИ
     Разрушающая перегрузка      200% от НПИ
     Рекомендуемое напряжение питания      от 5 до 12В
     Максимальное напряжение питания      15 В
     Степень защиты (по ГОСТ 14254)      IP 67
     Материал корпуса датчика      легированная сталь
     Длина кабеля (все)      2 м
     Вес тензодатчика (все)      3,8 кг
      Описание элементов крепления      шарнирные подвесы, 2 шт

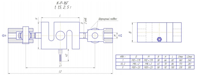
НПИ: 1; 1,5; 2; 5 т

ГАБАРИТНЫЙ ЧЕРТЕЖ

30.jpg

Номер в Госреестре СИ №40871-09