S-образные тензодатчики К-Р-16К НПИ от 100 кг до 5 т
| Характеристика |
Описание |
| Производитель: |
Уралвес |
S-образные тензодатчики К-Р-16К НПИ от 100 кг до 5 т
ТЕХНИЧЕСКИЕ ХАРАКТЕРИСТИКИ
|
Рабочий коэффициент передачи (РКП)
|
2,0 +0- ,003мВ/В
|
|
Класс точности (по ГОСТ 30129)
|
С3
|
|
Вид преобразуемой силы
|
Растяжение/сжатие
|
|
Число поверочных интервалов
|
3000
|
|
Начальных коэффициент передачи (НКП)
|
2,5% от РКП
|
|
Входное сопротивление
|
400 + 20 Ом
|
|
Выходное сопротивление
|
352 + 3 Ом
|
|
Сопротивление изоляции
|
≥5000 МОм
|
|
Диапазон рабочих температур
|
от -30 до +50 С
|
|
Допустимая перегрузка (не более 1 часа)
|
125% от НПИ
|
|
Разрушающая перегрузка
|
200% от НПИ
|
|
Рекомендуемое напряжение питания
|
от 5 до 12В
|
|
Максимальное напряжение питания
|
15 В
|
|
Степень защиты (по ГОСТ 14254)
|
IP 67
|
|
Материал корпуса датчика
|
легированная сталь
|
|
Длина кабеля (все)
|
3 м
|
|
Вес тензодатчика 100-700кг/1/1,5-5т
|
1,68/1,8/3,94кг
|
|
Описание элементов крепления
|
шарнирные подвесы, 2 шт
|
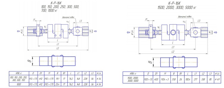
НПИ: 100; 150; 200; 250; 300; 500; 700 кг; 1; 1,5; 2; 3; 5 т
ГАБАРИТНЫЙ ЧЕРТЕЖ

Номер в Госреестре СИ №40871-09