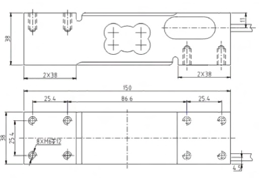
Тензодатчик одноточечный AMI 50 kg
| Характеристика | Описание |
|---|---|
| Производитель: | Keli |
Тензодатчик одноточечный AMI 50 kg
Технические характеристики
| Наибольший предел измерения (НПИ), кг | 50 |
| Рабочий коэффициент передачи (РКП), мВ/В | 2.0±0.2 |
| Класс точности | OIML C3 |
| Баланс ноля, % | ±3 |
| Входное сопротивление, Ом | 404±15 |
| Выходное сопротивление, Ом | 350±3 |
| Сопротивление изоляции, ГОм | ≥2000 |
| Диапазон термокомпенсации, °С | -10 - 40 |
| Рабочий диапазон температур, °С | -20 ~ 50 |
| Предельно допустимая нагрузка, % от НПИ | 150 |
| Разрушающая нагрузка, % от НПИ | 300 |
| Рекомендуемое напряжение питания, В | 10 |
| Максимальное напряжение питания, В | 15 |
| Класс защиты | IP65 |
| Материал корпуса | Алюминий |
| Длина кабеля, м | 1.8 |
| Диаметр кабеля, мм | 5 |





