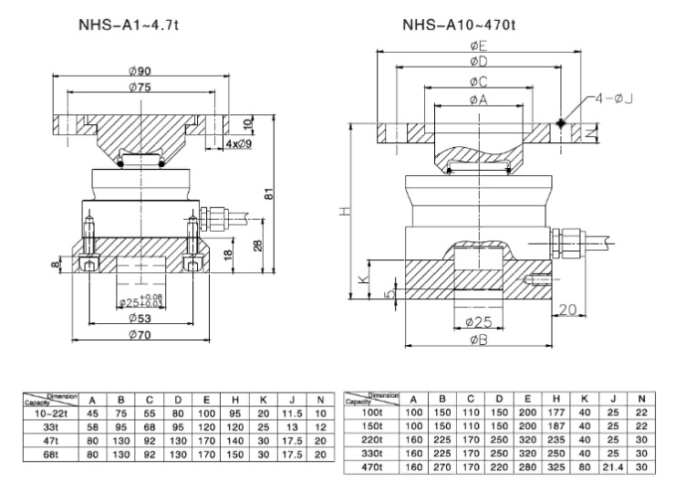
Тензометрический датчик мембранного типа NHS-A 15 t
| Характеристика | Описание |
|---|---|
| Производитель: | Keli |
Тензометрический датчик мембранного типа NHS-A 15 t
Датчики применяются для производства или модернизации автомобильных, бункерных весов. Небольшие габаритные размеры дают возможность быстро и легко вмонтировать их в весовую систему, обеспечивая при этом надежность. Изготовлены из стали с никелевым покрытием или нержавеющей стали.
Возможно подключение как по 4х-, так и 6ти-проводной схеме.

Технические характеристики
| Наибольший предел измерения (НПИ), т | 15 |
| Рабочий коэффициент передачи (РКП), мВ/В | 2.85±0.015 |
| Класс точности | |
| Погрешность, % от РКП | ±0.03%; ±0.05%; ±0.1% |
| Ползучесть (30мин), % от РКП | ±0.03% |
| Баланс ноля, % | ±1% |
| Температурное отклонение чувствительности | ±0,03%/10°C |
| Температурное отклонение ноля | ±0,03%/10°C |
| Входное сопротивление, Ом | 1450±10 |
| Выходное сопротивление, Ом | 1402±5 |
| Сопротивление изоляции, ГОм | ≥5000 |
| Диапазон термокомпенсации, °С | -10 - 40 |
| Рабочий диапазон температур, °С | -30 ~ 70 |
| Предельно допустимая нагрузка, % от НПИ | 150 |
| Разрушающая нагрузка, % от НПИ | 200 |
| Рекомендуемое напряжение питания, В | 10~12 |
| Максимальное напряжение питания, В | 15 |
| Класс защиты | IP67 |
| Материал корпуса | Легированная сталь, Нержавеющая сталь |
| Длина кабеля, м | 8-16 |
| Диаметр кабеля, мм | 6 |





