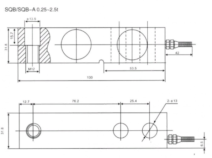
Тензометрический датчик c опорой SQB-A 0,3 t
| Характеристика | Описание |
|---|---|
| Производитель: | Keli |
Тензометрический датчик c опорой SQB-A 0,3 t
Тензометрический датчик консольного типа SQB-A/-ASS.
Датчики балочного типа находят широкое применение в производстве платформенных весов благодаря своим высоким метрологическим показателям и низкому профилю. Изготовлены из стали с никелевым покрытием или нержавеющей стали.
Возможно подключение как по 4х-, так и 6ти-проводной схеме.

Технические характеристики
| Наибольший предел измерения (НПИ), т | 0.3 |
| Рабочий коэффициент передачи (РКП), мВ/В | 2.0 ± 0.002 (0.1-0.3т) |
| Класс точности | C3 |
| Погрешность, % от РКП | |
| Ползучесть (30мин), % от РКП | ±0,02 |
| Баланс ноля, % | ±1 |
| Температурное отклонение чувствительности | ±0,02%/10°C |
| Температурное отклонение ноля | ±0,02%/10°C |
| Входное сопротивление, Ом | 400±20 |
| Выходное сопротивление, Ом | 352±3 |
| Сопротивление изоляции, ГОм | ≥5000 |
| Диапазон термокомпенсации, °С | -10 ~ 40 |
| Рабочий диапазон температур, °С | -30 ~ 70 |
| Предельно допустимая нагрузка, % от НПИ | 150 |
| Разрушающая нагрузка, % от НПИ | 200 |
| Рекомендуемое напряжение питания, В | 10~12 |
| Максимальное напряжение питания, В | 15 |
| Класс защиты | IP67-68 |
| Материал корпуса | Легированная сталь, Нержавеющая сталь |
| Длина кабеля, м | 1.5-5 |
| Диаметр кабеля, мм | 6 |





