Каталог »
Комплектующие » Цилиндрические высокотемпературные тензодатчики К-С-18М (Т) НПИ от 2 до 3 тонн
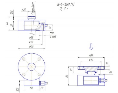
Цилиндрические высокотемпературные тензодатчики К-С-18М (Т) НПИ от 2 до 3 тонн
| Характеристика |
Описание |
| Производитель: |
Уралвес |
Цилиндрические высокотемпературные тензодатчики К-С-18М (Т) НПИ от 2 до 3 тонн
ТЕХНИЧЕСКИЕ ХАРАКТЕРИСТИКИ
|
Рабочий коэффициент передачи (РКП)
|
2,0 +0- ,02мВ/В
|
|
Класс точности (по ГОСТ 30129)
|
С1
|
|
Вид преобразуемой силы
|
сжатие
|
|
Число поверочных интервалов
|
1000
|
|
Начальных коэффициент передачи (НКП)
|
2,5% от РКП
|
|
Входное сопротивление
|
400 + 20 Ом
|
|
Выходное сопротивление
|
352 + 3 Ом
|
|
Сопротивление изоляции
|
≥5000 МОм
|
|
Диапазон рабочих температур
|
от -10 до +250 С
|
|
Допустимая перегрузка (не более 1 часа)
|
125% от НПИ
|
|
Разрушающая перегрузка
|
200% от НПИ
|
|
Рекомендуемое напряжение питания
|
от 5 до 12В
|
|
Максимальное напряжение питания
|
15 В
|
|
Степень защиты (по ГОСТ 14254)
|
IP 67
|
|
Материал корпуса датчика
|
легированная сталь
|
|
Длина кабеля 0,05-1/2-5т
|
3/6 м
|
|
Вес тензодатчика (все)
|
2,6 кг
|
|
Описание элементов крепления
|
опорная чашка - входит в комплект
|
НПИ: 2; 3 т
ГАБАРИТНЫЙ ЧЕРТЕЖ

Номер в Госреестре СИ №40871-09